主页 > 产品与服务
产品简介
KYAC323系列产品是一款面向自动化、机器视觉等行业应用的高性能书本式工控机,采用铝合金型材结构,保证产品优秀的坚固性,铝型材上嵌入风扇辅助散热,保证产品优秀散热性同时也******防止粉尘侵入,进一步保障产品的可靠性。
关键特性
□ 搭载 Intel酷睿i3/i5/i7系列处理器
□ BIOS内核及系统优化,满足实时控制需求
□ EtherCAT ******支持 128从站
□ 系统任务抖动25us内
□ 符合 IEC61131-3 标准、PLCopen 规范
□ 支持 EtherCAT、EtherNet/IP、OPC UA、ModbusTCP 等主流工业协议
□ 集成一路串口,开关灵活切换RS232/RS485
□ 双电源口冗余设计,保证供电稳定
□ 支持-20 ~ 60℃宽温工作环境
性能参数
| 配置 | KYAC323 | |
| 硬件配置 | ||
| CPU | I3-8100/I5-6400/I7-8700 | |
| TDP | ****** 65W | |
| BIOS | AMI UEFI 64Mbit | |
| 内存 | 8GB/16GB/32GB | |
| 存储 | 128GB/256GB/512GB | |
| USB | 4 x USB3.0 板载内置1个USB2.0 可安装硬件加密狗 | |
| COM | 1 x COM(DB9公头)可通过拨动开关配置RS232或RS485模式,RS485支持自动流控,RS232带有ESD防护(空气放电:±8KV,接触放电:±6KV) | |
| 以太网 | 4 x Intel I210千兆网口 | |
| VGA | 最高分辨率1920 x 1080 | |
| HDMI | 最高分辨率3840 x 2160 | |
| 扩展接口 | 2 x 全尺寸miniPCIe 卡槽,带有SIM 卡槽 | |
| 看门狗 | 1~255 级可编程设置 | |
| 软件配置 | ||
| 实时环境 | Codesys RTE 3.5.18 | |
| 操作系统 | Windows 10 | |
| 电源 | ||
| 输入电压 | DC12~24V ±10%, 过流、过压以及防反接保护 | |
| 电源功耗 | ******功耗 120W | |
| 机械参数 | ||
| 结构 | 全封闭铝型材外壳, 内嵌风扇智能散热,支持壁挂式安装或DIN-Rail 导轨式安装 | |
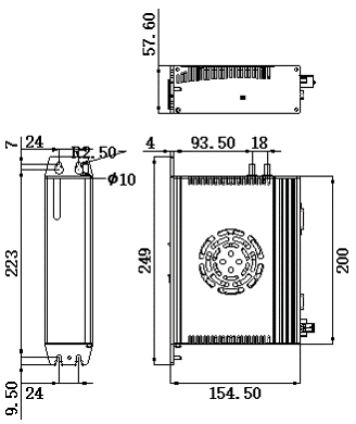
| 尺寸 | 57.6mm x 200mm x 154.5mm (W x H x D) | |
| 净重 | 1.9Kg | |
| 环境 | ||
| 工作温度 | -20ºC ~ 60ºC | |
| 存储温度 | -40ºC ~ 80ºC | |
| 相对湿度 | 5~95% 无凝露 | |
| 振动 | 5~500Hz, 1.5Grms,IEC60068-2-64 | |
| 冲击 | 20G ( 持续时间11ms,半正弦波),IEC60068-2-27 | |
| EMC | CE/FCC Class A | |
机械尺寸

订购信息
● SM(Softmotion) 该版本提供SMC_Basic库,符合PLCopenl认证标准Part 1及Part 2部分,可以控制单轴或者两个轴(电子凸轮和齿轮)的主从运动。
● CN(CNC+Robotic) 该版本在SMC_Basic库基础上增加了SMC_CNC及SMC_Robotic,支持了CNC应用及机器人应用。可实现CNC数控开发及机器人轴组开发。
● TW(Target & Web Visu) 该版本包含了集成化的可视化编辑器,可以在开发环境中直接创建专业的可视化界面。其中TargetVisu方式直接显示在控制器的内置或外置显示器上;WebVisu方式支持在Web浏览器中浏览界面。
| SM(Softmotion) | CN(CNC+Robotic) | ||||
| 点位运动 | 位置比较触发 | 两轴椭圆插补 | 三轴椭圆插补 | 路径预处理功能 | 两轴串联(SCARA)机器人模型 |
| JOG运动 | 位置捕获 | 两轴样条曲线 | 三轴样条曲线 | 五轴加工模型 | 三轴串联(SCARA)机器人模型 |
| 速度运动 | 回零运动 | 两轴抛物线运动 | 三轴抛物线运动 | 两轴龙门功能 | 并联(DELTA)机器人模型 |
| 电子齿轮 | 间隙捕获 | 两轴直线插补 | 三轴螺旋线插补 | 三轴龙门 | 四轴码垛机器人模型 |
| 电子凸轮 | 两轴圆弧插补 | DXF转G代码功能 | T型龙门 | 六轴关节机器人模型 | |
| 连续轨迹运动 | 三轴直线插补 | G代码/M代码功能 | H型龙门 | ||
| 切向跟随 | 三轴圆弧插补 | 坐标系转换 | 极坐标系模型 | ||
| 产品型号 | 详情 |
| KYAC323-33MBW0SM | I3-8100/8G/128G SSD/WIN10/Softmotion |
| KYAC323-33MBW0SMTW | I3-8100/8G/128G SSD/WIN10/Softmotion/Target & Web Visu |
| KYAC323-53MAW0SM | I5-6400/8G/128G SSD/WIN10/Softmotion |
| KYAC323-541AW0SMTW | I5-6400/16G/256G SSD/WIN10/Softmotion/Target &Web Visu |
| KYAC323-73MBW0SM | I7-8700/8G/128G SSD/WIN10/Softmotion |
| KYAC323-741BW0SM | I7-8700/16G/256G SSD/WIN10/Softmotion |
| KYAC323-752BW0SM | I7-8700//32G/512G SSD/WIN10/Softmotion |
| KYAC323-73MBW0SMTW | I7-8700//8G/128G SSD/WIN10/Softmotion/Target &Web Visu |
| KYAC323-741BW0SMTW | I7-8700//16G/256G SSD/WIN10/Softmotion/Target &Web Visu |
| KYAC323-752BW0SMTW | I7-8700//32G/512G SSD/WIN10/Softmotion/Target &Web Visu |